产品展示
瑞士Schneeberger施尼博格

瑞士SCHNEEBERGER施尼博格

瑞士SCHNEEBERGER施尼博格

瑞士施尼博格(schneeberger)成立于1923年,80年前,施尼博格设计并生产了世界上第一根直线导轨,为今天全世界的直线技术奠定了基础。施尼博格很早就为直线导轨的承载能力、可靠性、经济性制订了标准。这些标准很快成了当今的工业标准。作为精密直线导轨的专业厂商,施尼博格采用世界上最先进的制造技术,其高质量的员工在瑞士和德国生产的施尼博格产品已被全世界的客户所采用。 

瑞士SCHNEEBERGER施尼博格
瑞士
[施耐博格]
SCHNEEBERGER 
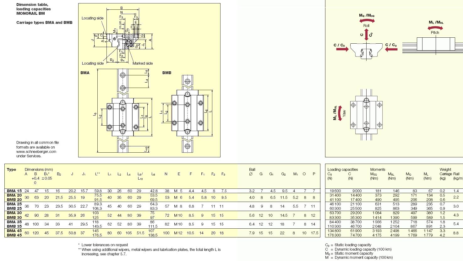
Roller-MONORAIL 滚柱型线性滑块、滑轨

型号    
BM        导轨 BM15    BM20  BM25  BM30  BM35 BM45
BMA      滑块 BMA15 BMA20 BMA25   BMA30 BMA35 BMA45
BMB BMB20 BMB25 BMB30 BMB35 BMB45 
BMC BMC20  BMC25 BMC30 BMC35 BMC45 
BMD BMD20 BMD25 BMD30 BMD35 BMD45
BME   BME25 BME30 BME35  
BMF BMF15 BMF20  BMF25 BMF30 BMF35  
BMG BMG20 BMG25 BMG30 BMG35  
                   
                                    
瑞士[施耐博格]SCHNEEBERGER Roller-MONORAIL 滚柱型线性滑块、滑轨
型号  
MR        导轨 MR25 MR35 MR45 MR55 MR65
MRA      滑块 MRA25 MRA35 MRA45 MRA55 MA65
MRB MRB25 MRB35  MRB45 MRB55 MRB65
MRC MRC25 MRC35 MRC45 MRC55 MRC65
MRD MRD25 MRD35 MRD45 MRD55 MRD65

瑞士[施耐博格]SCHNEEBERGER    R、RD、RN、RNG型线性交叉滚子式导轨

                                    型号      
R         交叉导轨  R1 R2 R3   R6 R9 R12
RD      交叉导轨 RD1 RD2 RD3   RD6 RD9 RD12
RN      交叉导轨     RN3 RN4 RN6 RN9 RN12
RNG    交叉导轨     RNG4 RNG6 RNG9 RNG12
KBS       罗拉条     KBS3 KBS4 KBS6    
KBN       罗拉条     KBN3 KBN4 KBN6 KBN9 KBN12
AC          罗拉条 AC 1  AC 2  AC 3   AC 6  AC 9  AC 12 
AK          罗拉条 AK1 AK2  AK3    AK6  AK9 AK12 
GD          罗拉条     GD3  GD4 GD6  GD9  GD12 

 
瑞士[施耐博格]SCHNEEBERGER        M/V型、N/O型 线性滚针式导轨

                                   型号    
M / V     交叉导轨 M / V  3015 M / V  4020 M / V  5025 M / V  6035 M / V  7040 M / V  8050
N / O     交叉导轨 N / O62015 N / O 92025 N / O  2025 N / O  2535 N / O  3045 N / O  3555 
GD(N/ O)  罗拉条 GD6 GD 9 GD 2025 GD 2535 GD 3045 GD  3555
SHW         罗拉条 SHW15 SHW20  SHW25 SHW30  
HW            罗拉条 HW 10 HW 15  HW 16 HW 20 HW 25 HW 30 

瑞士[施耐博格]SCHNEEBERGER       NRT、NRV型 平面式滚柱循环滑块 
  型号  
NRT  NRT 100 NRT  101 NRT  102 NRT 103 NRT 104 NRT 105
    NRT  201 NRT  202 NRT 203 NRT 204 NRT 205
  NRT  19077 NRT  26111 NRT  38144      
NRV  NRV  19077  NRV  26111 NRV  38144


瑞士[施耐博格]SCHNEEBERGER    MZ和MR-X系列带齿条直线导轨系统

型号  

MZR

  MZR25   MZR35
MZ / MRE   MZ / MRE25 MZ / MRE35
MR-X / MRC   MR-X / MRC25 MR-X / MRC35

瑞士
[施耐博格]
SCHNEEBERGER      
MN标准系列和MN加宽系列微型滚珠滑块、滑轨 
型号  
MN       导轨 MN7 MN9 MN12 MN15
MNN    滑块 MNN7 MNN9 MNN12 MNN15
MN       加宽导轨 MN14 MN18 MN24 MN42
MNN    加宽滑块 MNN14 MNN18 MNN24 MNN42

瑞士[施耐博格]SCHNEEBERGER称 AMS系列带测量系统的直线导轨
型号  
AMSA AMSA25 AMSA35 AMSA45 AMSA55 AMSA65
AMS-GEH AMS-GEH25 AMS-GEH35 AMS-GEH45 AMS-GEH55 AMS-GEH65
SMA SMA25 SMA35
ZAN ZAN25 ZAN35 ZAN45 ZAN55 ZAN65
ZAV ZAV25 ZAV35 ZAV45 ZAV55 ZAV65
KAO KAO10 KAO11 KAO12 KAO13 KAO14
KAM KAM10 KAM11      


无摩擦滑台NK 、 NKL型 
NK1-25     NK1-35     NK1-45       NK1-65      NK1-75       NK1-85 
NK2-35     NK2-50     NK2-65       NK2-80      NK2-95       NK2-110       NK2-125
NK3-55     NK3-80     NK3-105     NK3-130    NK3-155    NK3-180       NK3-205
NKL3-230                  NKL3-255     NK9-210     NK9-310   NK9-410      NK9-510
NK6-110         NK6-160         NK6-210             NK6-260          NK6-310       NK6-360      NK6-410
NK25-50         NK55-100       NK105-160        NK165-310     NK310-510
NKL25-50      NKL55-100     NKL105-160      NKL165-310   NKL315-410

无摩擦小滑台ND型 
ND1-25.12       ND1-35.18        ND1-45.25        ND1-55.32
ND2-65.40       ND2-80.50        ND2-95.60
ND3-105.60     ND3-130.75     ND3-155.90 
ND25-50           ND55-100        ND105-155

无摩擦小滑台NDN型
NDN05-10.05      NDN05-15.10       NDN05-20.15      NDN05-25.20
NDN1-15.05        NDN1-20.10          NDN1-25.15        NDN1-30.20
NDN1-35.25        NDN1-40.30          NDN1-45.35        NDN1-50.40
NDN2-30.20        NDN2-40.30          NDN2-50.40        NDN2-60.50
NDN2-70.6           NDN2-80.70 
NDN15-30            NDN35-50             NDN60-80
 

滚珠循环式滑块SK、SKD型:
SK1022         SK2032         SK3075         SK6100         SK6150         SK9150        SK9200
SK12200       SKD6100      SKD6150      SKD9150      SKD9200      SKD12200

滚柱循环式滑块SR型:
SR2032      SR3075      SR6100      SR6150      SR9150      SR12200

平面式滚柱循环滑块NRT和NRV型:
NRT100            NRT101           NRT102           NRT103        NRT104        NRT105
NRT201            NRT202           NRT203           NRT204        NRT205
NRT19077       NRT26111       NRT38144
NRV19077        NRV26111      NRV38144

MN标准系列微型滚珠滑块、直线导轨型号:
MNN7      MNN9      MNN12      MNN15 
MN7        MN9          MN12         MN15

MN加宽系列微型滚珠滑块、直线导轨型号
MNN14      MNN18      MNN24      MNN42 
MN14         MN18         MN24         MN42    

    在线客服咨询您好!如果需要帮助,请联系我们的客服!正诚机电08:30 AM -- 18:00 PM
    在线客服咨询